Why ZRI Solar Pump Opted for Angular Contact Bearings in Deep Well Submersible Pumps: A Comparative Analysis of Angular Contact Bearings vs. Conventional Bearings.
Why ZRI Solar Pump Opted for Angular Contact Bearings in Deep Well Submersible Pumps: A Comparative Analysis of Angular Contact Bearings vs. Conventional Bearings.
In mechanical transmission systems, bearings serve as pivotal components supporting rotating shafts, with their performance directly determining equipment efficiency and service life. While both angular contact bearings and conventional bearings (e.g., deep groove ball bearings) fall under the category of rolling bearings, they exhibit significant differences in structural design, load-bearing capacity, and application scenarios. This article systematically examines the key distinctions between these two types of bearings.

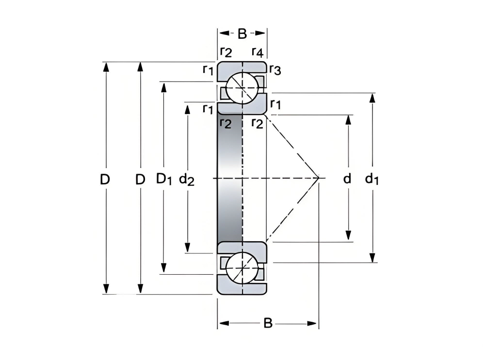
1.Structural Design Differences Angular contact bearings feature a specialized contact angle design, where the inner and outer raceways maintain axial contact angles of 15°,25°, or 40°. This configuration creates an asymmetric raceway structure, with the outer raceway typically featuring a single shoulder and a raceway curvature that is both pronounced and offset from the center. The contact angle directly impacts bearing performance: a larger angle enhances axial load capacity but reduces rotational speed, while a smaller angle optimizes high-speed operation at the expense of reduced axial load capacity. The conventional deep groove ball bearing features a relatively simple structure with symmetrically arranged raceways on both inner and outer rings. Its outer ring raceway incorporates a double shoulder design, while the raceway curvature is minimized and centrally positioned. When subjected solely to radial loads, the contact angle reaches zero. Although capable of bearing certain axial loads, its load-bearing capacity remains limited, making it primarily suitable for applications where radial forces dominate.
2.Load Capacity Comparison The primary advantage of angular contact bearings lies in their dual capacity to withstand both radial and axial loads, with particularly strong axial load-bearing capability. Single-row angular contact ball bearings can handle radial loads and unidirectional axial loads. Through paired installation methods such as DB (back-to-back), DF (face-to-face), or DT (series), they can also support bidirectional axial loads and torque loads. Type B bearings with a 40° contact angle exhibit the strongest axial load-bearing capacity, while Type C bearings with a 15° contact angle are better suited for high-speed rotation. Standard deep groove ball bearings primarily withstand radial loads, though they can also handle both radial and axial loads, with relatively weaker axial load capacity. When deep groove ball bearings have a larger radial clearance, they exhibit performance similar to angular contact bearings, enabling them to bear greater axial loads. At the same dimensions, deep groove ball bearings achieve higher ultimate rotational speeds, but their axial load capacity is significantly inferior to that of angular contact bearings.

3.Performance Comparison Angular contact bearings feature high precision, rigidity, and high-speed performance. With manufacturing accuracy reaching P4 and P2 grades, they exhibit minimal rotational runout and exceptional rigidity, making them ideal for high-precision, high-speed machinery. By applying preload, the internal clearance is eliminated, enhancing system rigidity and rotational accuracy. Their low friction coefficient and minimal heat generation enable high ultimate speeds, making them suitable for high-speed lubrication methods such as oil-gas lubrication and oil mist lubrication.
Conventional deep groove ball bearings feature a low friction coefficient and high ultimate speed, though their precision and rigidity are relatively limited. With a simple structure and user-friendly operation, these bearings—equipped with seals and dust covers—require no cleaning or lubrication during installation. While cost-effective, they underperform angular contact bearings in high-speed and high-precision applications.





Mr Youkee Kong 








